可调式减压阀为隔膜型水力操作式,安装于给排水系统,控制主阀出口压力为一固定值。可通过调节导阀将进口压力减至某一需要的出口压力并依靠介质本身能量使出口压力自身保持稳定,即出口压力不因进口压力或出口流量变化而变化。当阀前低于阀后设定压力时,主阀将会自动缓闭。
可调式减压阀为隔膜型水力操作式,安装于给排水系统,控制主阀出口压力为一固定值。可通过调节导阀将进口压力减至某一需要的出口压力并依靠介质本身能量使出口压力自身保持稳定,即出口压力不因进口压力或出口流量变化而变化。当阀前低于阀后设定压力时,主阀将会自动缓闭。
 
                             
                             
                             
                             
                             
                             
                            | 阀体材质  | 球墨铸铁  | 
| 型号  | 200X-16Q  | 
| 规格  | DN50-600  | 
| 公称压力  | 1.0/1.6/2.5Mpa  | 
| 工作温度  | 0-80℃  | 
| 适用介质  | 水  | 
| 设计标准  | GB/24924-2016  | 
安装要求
1、请参照Y系列调节减压阀安装要求及以下要求进行安装。
2、建议管网系统安装排气阀,以便减压阀稳定工作。
3、安装时要注意阀体上箭头标记的方向。为了便于维修,减压阀周围应留有一定的空间。
4、进、出口压力不应小于0.2Mpa。如果小于0.2Mpa,稳定性能会变差(出口压力误差会增大)。
产品用途
该产品专为高层及超高层建筑设计。是解决高层建筑中要求量大、灵敏度高的生活用水、消防水系统的理想产品。其性能更加优越,完全替代中间水箱,节省建筑物中间水箱的成本。扩大建筑物的使用面积。
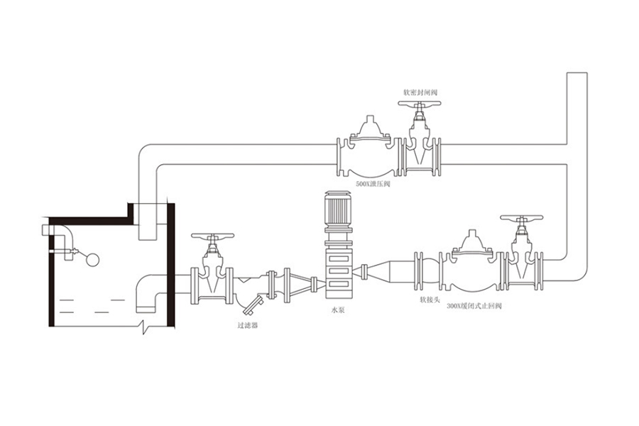
安装图

关于常水
常水科技集团有限公司是一家集研发、制造、销售、服务为一体的阀门制造企业,是目前国内通用阀门的主要供应商之一 ,主要产品有:闸阀、截止阀、蝶阀、球阀、止回阀、调节阀、减压阀、隔膜阀、旋塞阀、柱塞阀、疏水阀、水力控制阀等。高质量的产品备受各行业用户的称誉和推崇,在建筑、热力、供水、石油、化工、电力等行业中应用广泛! 企业宗旨是:“用高质量的产品奉献社会”。我们的工作目标是“使用户满意”。我们的质量方针是“满足用户对产品质量的需求和期望,跃升严格的质量管理水平,制造好的产品,创造专业的服务”。 愿与新老朋友、社会同仁同行、国内外用户,再度携手,再上一层楼,再创新辉煌!